Baronin und Baron Von Hemschweig

Astrid Sieben und Janco Hoekstra

  • Baron und Baronin von Hemschweig
  • Über uns
  • Wo wir wonen
  • Projekten
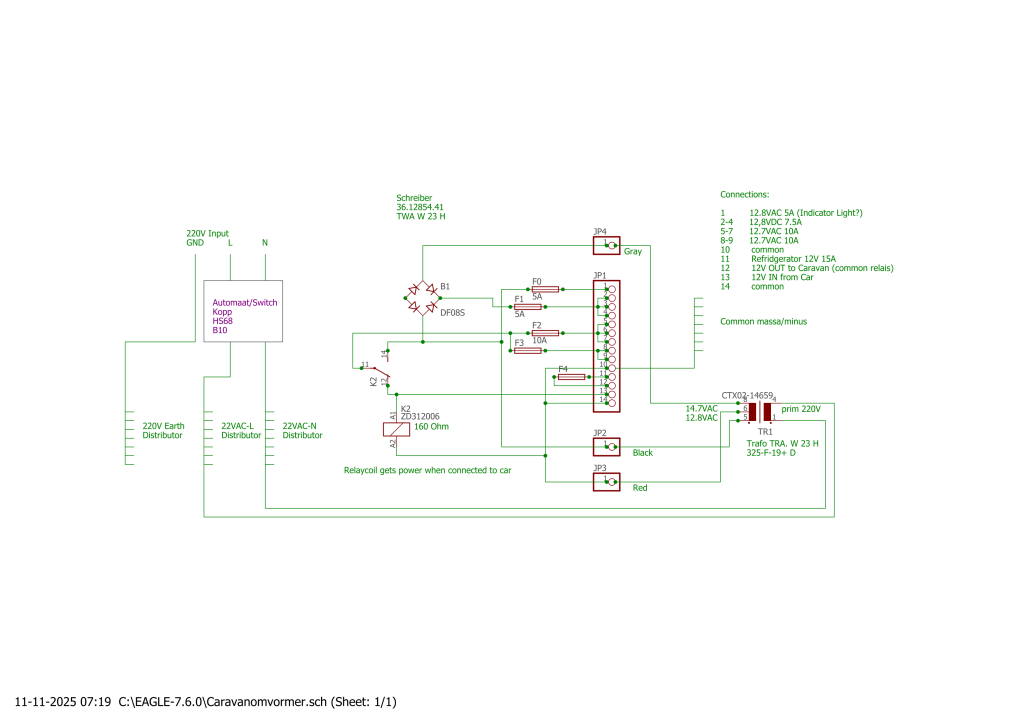
    • Caravan omvormer Schreiber TRA W 23 H Ref 36 12854 41

Caravan omvormer Schreiber TRA W 23 H Ref 36 12854 41

Neueste Beiträge

  • Hallo Welt!

Neueste Kommentare

    Archiv

    • Mai 2021

    Kategorien

    • Allgemein

    Meta

    • Anmelden
    • Feed der Einträge
    • Kommentar-Feed
    • WordPress.org

    Stolz präsentiert von WordPress | Theme: Bulk